醫用氣體工程施工設計方案
醫用氣體工程是指醫療用氣的系統工程,主要有醫用氣體供應站,醫用氣體管道和設備、醫療氣體末端病房設備幾部分組成,常用的醫用氣體包括中心供氧系統的醫用氧氣,醫用真空負壓吸引,醫用壓縮空氣,以及醫用氮氣、醫用二氧化碳、醫用笑氣和醫用廢氣排放系統等。主要應用于各類醫院、衛生院、社區衛生服務中心、醫養結合養老院、老年公寓、寵物醫院等醫療場所。以下以某三甲醫院醫用氣體工程設計與施工說明為例,給大家深度解讀關于醫用氣體工程涉及到的各方面問題。

一、醫用氣體設計說明
1.設計依據
1.1 已批準的初步設計文件;
1.2 建設單位 提供的設計任務書及設計要求
1.3 相關專業提供的工程設計資料;
1.4 《中華人民共和國特種設備安全法》;
《市場監管總局關于特種設備行政許可有關事項的公告》(2019年第3號);
《特種設備生產和充裝單位許可規則》TSG 07-2019;
《壓力管道規范 工業管道》(GB20801.1-2020;GB20801.2~6-2006);
《工業金屬管道設計規范》GB5050316-2000(2008年版);
《醫用氣體工程技術規范》(GB50751-2012)
《建筑設計防火規范》GB50016-2014(2018版);
《氧氣站設計規范》GB50030-2013;
《壓縮空氣站設計規范》GB50029-2014;
《深度冷凍法生產氧氣及相關氣體安全技術規程》GB16912-2008;
《建筑機電工程抗震設計規范》GB 50981-2014
2. 項目概況
本項目為北京某三家醫院3#住院樓項目的醫用氣體設計。包括普通區氧氣管道系統、生命支持區氧氣管道系統、普通區真空吸引管道系統、生命支持區真空吸引系統、醫療壓縮空氣管道系統系統設計。普通區氧氣管路由院區液氧站提供、生命支持區氧氣由院區氧氣匯流排提供;真空吸引系統由院區真空匯提供;醫療壓縮空氣系統由院區制氧站提供。
3. 設計參數
3.1 設計耗量:
3.1.1 普通區氧氣系統氧氣耗量為29.2m3Ih,終端工作壓力為0.40~0.50MPa。
3.1.2 生命支持區氧氣系統氧氣耗量為12.6m3Ih,終端工作壓力為0.40~0.50MPa。
3.1.3 普通區真空吸引系統耗量為84.1m3Ih,終端工作壓力為-0.04~-0.087MPa。
3.1.4 生命支持區真空吸引系統耗量為66.6m3Ih,終端工作壓力為-0.04~-0.087MPa。
3.1.5 醫療壓縮空氣耗量為60.6m3Ih,終端工作壓力為0.40~0.50MPa。
3.2 管道設計壓力
3.2.1 氧氣管道系統設計壓力為0.9MPa,設計溫度為45°C。
3.2.2 真空吸引管道系統設計壓力為-0.10MPa,設計溫度為45°C。
3.2.3 醫療壓縮空氣管道系統設計壓力為0.90MPa,設計溫度為45°C。
二、醫用氣體工程管道安裝施工驗收說明
1. 施工應遵循的標準及規范
管道的安裝除應遵循上述設計依據所列的標準、規范外,還應遵循下列中華人民共和國現行的主要標準及規范:
《工業金屬管道工程施工規范》GB50235-2010;
《工業金屬管道工程施工質量驗收規范》GB50184-2011;
《現場設備、工業管道焊接工程施工規范》GB50236-2011;
《現場設備、工業管道焊接工程施工質量驗收規范》 GB50683-2011;
《工業管道的基本識別色、識別符號和安全標識》GB7231-2003;
《石油化工設備和管道涂料防腐蝕技術規范》SH/T 3022-2011;
《承壓設備無損檢測》(NB/T4703.14-2016,NB/T47013.1~6,10~13-2015,NB/T47013.7~9-2012);
2. 管子及管件的選用應按設備材料表中的規定備料。
3. 管道、管件、閥門及材料等應有制造廠產品質量合格證書、產品性能試驗報告和設備說明書,進口設備還應有商檢合格證并應與設計文件、圖紙的要求相一致。當有出入時,應取得設計、監理和業主的認可。
4. 管道安裝中必須嚴格按照設計圖紙進行施工,若有改動,必須經設計院同意。
5. 本《設計與施工說明》與設計圖紙具有同等效力,若二者有矛盾時,業主及施工單位應及時提出,并以設計單位解釋 為準。
6. 輸送流體用的不銹鋼無縫鋼管應符合現行國家標準《流體輸送用不銹鋼無縫鋼管》GB/T14976-2012的規定。材料性能不應低于06Cr19Ni10奧氏體不銹鋼,管材規格應符合國家規范《無縫鋼管尺寸、外形、重量及允許偏差》GB/T17395-2008的給有關規定。
7. 輸送流體用銅管應符合現行國家標準《醫用氣體和真空無縫銅管》YS/T 650-2007的規定。
8. 管道的連接均采用焊接,銅管與鋼管之間連接采用銀釬焊,焊絲型號為HAG-45B,銅管與銅管之間連接采用氮氣保護焊,焊絲型號為S201,不銹鋼管之間連接采用氬弧焊焊接,焊絲型號H0Cr21Ni10,焊件坡口V型,技術要求按《現場設備、工業管道焊接工程施工規范》GB/50236-2011;
9. 醫氣管道主干管均采用輸送流體用不銹鋼管,進入病房內的支管均采用銅管。
10. 氧氣管道嚴禁采用折皺彎頭,采用不銹鋼壓制彎頭時,彎曲半徑不應小于管外徑。氧氣管道的變徑管,采用無縫或壓制焊接件,當焊接制作時,變徑部分長度不宜小于兩端管外徑差的3倍,其內壁應平滑,無銳邊,毛刺及焊瘤,氧氣管道的分岔頭,采用無縫或壓制焊接件。
11. 氧氣管道的彎頭,分岔頭,不應緊接安裝在閥門的下游,閥門的下游側宜設長度不小于管外徑5倍的直管段。
12. 氧氣管道的連接,應采用焊接,但與設備和閥門連接處可采用法蘭或絲扣連接,絲扣連接處應采用一氧化鉛,水玻璃或聚四氟乙烯薄膜作為填料,嚴禁用涂鉛紅的麻或棉絲,或其他含油脂的材料。
13. 與醫用氣體接觸的閥門、密封元件、過濾器等管道或附件,其材料與相應氣體不得產生有火災危險、毒性或腐蝕性危害的物質。
14. 氧氣閥門的密封填料,應采用石墨處理過的石棉或聚四氟乙烯材料,或膨脹石墨。
15. 氧氣管道,閥門及管件等,應當無裂紋,磷皮,夾渣等,接觸氧氣的表面必須徹底除去毛刺,焊瘤,焊渣,粘砂,鐵銹和其他可燃物等,保持內壁光滑清潔,管道的除銹應進行到出現本色為止。
16. 醫用氣體及真空管道、閥門、管件、儀表、墊片及其他附件都必須脫脂,對黑色及有色金屬的脫脂件,宜采用無機溶劑脫脂,石棉墊片等,脫脂后宜用紫外線檢查法或溶劑分析法進行檢查,達到合理標準為止,脫脂合格后的管道,應及時封閉管口并應充入干燥氮氣,且應避免殘存的脫脂介質與氧氣形成危險的混合物。脫脂應按HG20202-2014《脫脂工程施工及驗收規范》進行。
17. 醫用氣體管道閥門應使用銅或不銹鋼的等通徑閥門,需焊接連接的閥門兩端應帶有預制的連接用短管。壓縮空氣管道閥門采用截止閥或球閥。氧氣管道不允許采用快開式閥門,應采用氧氣專用截止閥。真空氣體管道采用真空閥。
18. 氣體安全閥應采用經過脫脂處理的銅或不銹鋼的密閉型全啟式安全閥,并應符合現行國家標準TSG ZF001-2006《安全閥安全技術監察規程》的有關規定。氣體減壓閥應采用經過脫脂處理的銅或不銹鋼減壓閥,并應符合現行國家標準《減壓閥 一般要求》GB/T12244-2006。
19. 設備自帶閥門及儀表,設備材料表中未作統計。
20. 閥門安裝應符合現行國家標準GB50235-2010《工業金屬管道工程施工規范》的規定,所有閥門的安裝位置及手輪方向應考慮操作方便。閥門一般離地面或樓面約1.2~1.4米; 壓力表安裝高度一般離地面約1.4~1.6米,便于操作人員觀察,且應有盤管 管道連接,儀表接口公稱直徑不應小于15mm。
21. 醫用氣體、真空管道,閥門,管件,儀表在安裝過程中及安裝后,應采取有效措施,防止受到油脂污染,防止可燃物,鐵屑,焊渣,砂土及其他雜物進入或遺留。
22. 醫療房間內的醫用氣體管道應做等電位接地;醫用氣體的匯流排、切換裝置、各減壓出口、安全放散口和輸送管道均應做防靜電接地,醫用氣體管道接地間距不應超過80m,且不應少于一處,室外埋地醫用氣體管道兩端應有接地點,除采用等電位接地外宜為獨立接地,其接地電阻不應大于10歐。
22. 設計圖紙中標高,除圖中注明外,均以室內一層地坪為±0.000m計。管道的標高,除圖中注明外,一般均指管道支架上平面標高,但與設備及附件的連接一般指管道中心標高。
23. 設計圖紙中標高以米計,其余尺寸以毫米計。
24. 水平敷設的管道變徑采用的異徑管除注明處外,均采用偏心異徑管(同底異徑管),保持管底平齊。
25. 管道坡度 管道鋪設應有坡度,坡度下傾方向一般均沿介質流動方向。一般采用坡度:真空 3/1000 ,氣體4/1000 。
25. 小管徑管道穿樓板、墻均未預留孔洞,可于施工現場打孔,所有管道穿樓板、墻時應加套管,位于穿樓板、墻處的管段不得有接頭、焊縫、法蘭等,管子與套管間的間隙應以不燃燒的軟質材料填滿。
26. 管道支架,支座及零件在除銹除污后刷防銹漆兩道,灰色漆兩道。
27. 管道安裝設計原則
27.1 管道間距(指管道軸線間距離)一般規定為 :
27.2 未注明標高的管道,可根據具體情況酌情安裝,以方便操作,利于檢修和安全運行為度。
27.3 管道沿墻、柱鋪設,管道軸線離墻或柱的距離按管徑一般規定為:

根據本期工程管道配置狀況,管架采用通用型式的管架,參照《管架標準圖》(HG/T21629-1999)設計選型,并按以下施工:
根據本期工程管道配置狀況,管架采用通用型式的管架,參照《管架標準圖》(HG/T21629-1999)設計選型,并按以下施工:
27.4.1 醫用氣體系統管道布置圖中管架根部固定于梁、板、柱的,現場施工時采用膨脹螺釘固定生根安裝。
27.4.2 醫用氣體輸送管道的安裝支架應采用不燃燒材料制作并經防腐處理,管道與支吊架的接觸處應作絕緣處理。
27.4.3 管卡(托)選用原則:管道在管架上的固定均采用A1型管卡;不銹鋼管卡管架間應加橡膠墊片或不銹鋼板。
27.4.4 管道支架間距一般不大于下表規定:

28.管道的連接方式
28.1 除設備接口外所有鋼管采用焊接連接。
28.2 管道的焊接
28.2.1 管道的連接均采用焊接,銅管與鋼管之間連接采用銀釬焊,焊絲型號為HAG-45B,銅管與銅管之間連接采用氮氣保護焊,焊絲型號為S201,不銹鋼管之間連接采用氬弧焊焊接,焊絲型號H0Cr21Ni10,焊件坡口V型,技術要求按《現場設備、工業管道焊接工程施工規范》GB/50236-2011;
28.2.2 焊縫坡口應符合現行國家標準GB/T985《氣焊、手工電弧焊及氣體保護焊焊縫坡口的基本形式與尺寸》及GB/T986《埋焊焊縫坡口的基本形式與尺寸》的規定。
28.2.3 本裝置管道焊接結構應按GB50316-2000《工業金屬管道設計規范》(2008版)的規定。
28.2.4 兩條對接焊縫間的距離不應小于3倍焊件的厚度且公稱直徑小于50mm的管道,焊縫間距不宜小于50mm。公稱直徑大于或等于50mm的管道,焊縫間距不宜小于100mm。
28.2.5 管道的環焊縫不宜設在管托的范圍內。
28.2.6 不宜在管道焊縫及邊緣上開孔與接管。
28.2.7 管道的管道的安裝焊縫不應設在支吊架處,焊縫離支吊架邊緣不得小于100毫米,最好在兩支吊架間1/5~1/10。
29. 醫氣管道焊縫的無損檢測應符合下列規定:

29.1 不銹鋼材質醫用氣體管道的檢驗:檢查等級應不低于《壓力管道規范工業管道》GB/T20801.5-2006中規定的III級;對管道的對接環縫、角焊縫以及支管連接焊縫進行100%目視檢查,并應符合《壓力管道規范工業管道》GB/T20801.5-2006中表2規定的III級;對管道的支管連接焊縫進行10%的磁粉或滲透探傷,并不應低于《承壓設備無損檢測》NB/T47013-2015中的規定的I級合格標準;對管道的對接環縫進行10%的射線探傷,并按《承壓設備無損檢測》NB/T47013-2015《承壓設備無損檢測》中規定的III級為合格標準。
29.2 焊縫射線照相合格率應為100%,每條焊縫補焊不應超過2次,當射線合格率低于80%時,除返修不合格焊縫外,還應按照射線照相比例增加檢測。
30. 管道試壓及吹掃
30.1 醫用氣體管道均用壓縮空氣座壓力試驗,氧氣管道試驗壓力為1.35MPa,壓縮空氣管道試驗壓力為1.35MPa,真空吸引管道試驗壓力為0.20MPa。管道做氣壓試驗時,壓縮空氣必須是無油脂和干燥的。所有管道做氣壓試驗時應裝有壓力泄放裝置,其設定壓力不得高于1.1倍的試驗壓力。
30.2 應按以下步驟進行氣壓試驗:
30.2.1 管道做氣壓試驗前應采用空氣進行預試驗,預試驗的壓力為0.2MPa。
30.2.2 試驗時應逐級緩慢增加壓力,當壓力升至試驗壓力的50%時,應進行初始檢查,如未發現異常或泄露,繼續按試驗壓力的10%逐級升壓(每級應有足夠的保壓時間以平衡管道的應變),直至達到規定的試驗壓力。醫用氣體管道壓力試驗應維持試驗壓力至少10min,管道應無泄漏、外觀無變形為合格。
三、醫用氣體工程設備材料與規格


四、醫用氣體工程設計圖例

五:醫用氣體工程管道設備連接圖

六:醫用氣體工程管道壓力報警器和二級減壓箱施工安裝圖

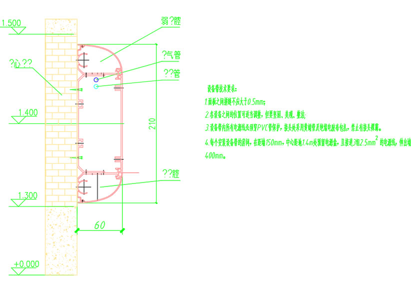
七:醫用氣體工程病房設備帶安裝大樣圖


醫用氣體工程病房設備帶技術要求:
1.面板之間拼縫不應大于0.5mm;
2.各設備之間的位置可適當調整,但要堅固、美觀、整潔;
3.設備帶內所有電源線必須穿PVC管保護,接頭處采用黃蠟管及絕緣電膠布包扎,禁止有接頭裸露。
4.每個安裝設備帶的房間,在距墻150mm,中心距地1.45m處預留電源盒,且接進3組2.5mm2的電源線,伸出墻400mm。